源表是什么?一台仪器顶四台,电子测试界的 “多面手”
发布时间: 2025-12-26 09:40:25 浏览数:
上一篇文章小编为大家带来了如何用源表画出可爱的小兔子,没想到却收到很多工程师朋友的疑问:“什么是源表?”今天小编就在这篇文章中为大家做一个简单的介绍!
一、SMU|什么是源表SMU?
源表(Source Meter Unit, SMU)广泛用于半导体器件、材料、医疗、发光器件与光通信等行业,测量器件的伏安(I-V)特性曲线、绝缘材料的电阻值(电阻率)、电容的绝缘电阻(漏电流)、光电器件的暗电流或者L-I-V等。

源表SMU的名称已经清晰的告诉我们,它包含了高精度电源输出和测量, 但它仅仅是电源和万用表的简单拼凑吗?为了简要说明这个问题, 我以下列出了源表的几个典型的应用场景:
在测量绝缘材料的电阻值(GΩ/TΩ)或 二极管的反向漏电流时,通常给被测件DUT施加电压激励,并测量对应的电流;
在测量常规小电阻, 或者驱动LED发光二极管时,通常给DUT施加电流激励,测量对应的电压值;
测量电容器、锂电池等具备储能特性器件时,会对其进行充放电的同时, 连续记录电压和电流。
二、SMU|源表的四种功能
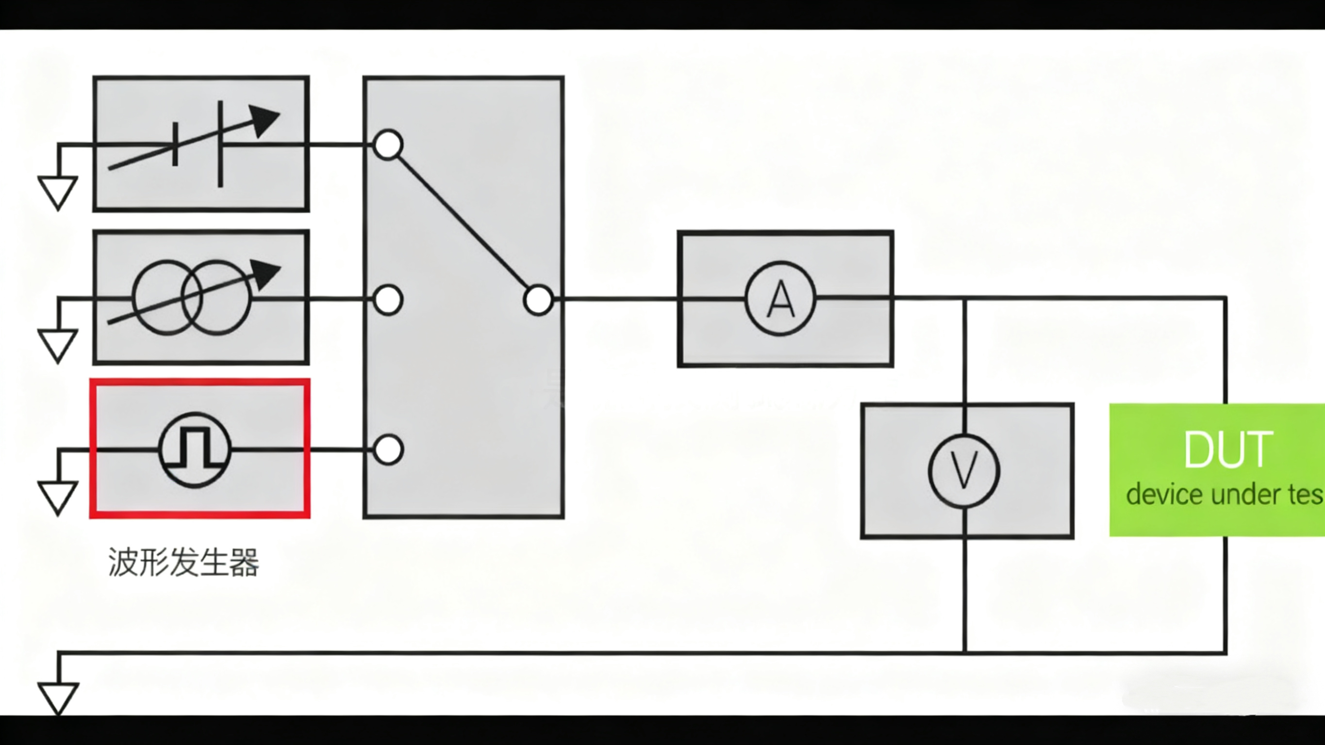
通常源表SMU都具备电压源 Vs、电流源 Is、电流源 IM、电压表 VM四种功能,而且能够任意搭配激励源和测量功能,按照被测DUT特征选择对应的模式。如下图所示,

VFIM:电压激励测电流
VFVM:电压激励测电压
IFIM:电流激励测电流
IFVM:电流激励测电压
三、SMU|源和测量的组合
与直流电源称输出端子V+、V-不同,源表SMU通常将源的输出端子称为High Force、Lower Force。因此,源和测量的组合有:VFIM、VFVM、IFVM、IFIM (V/I激励F + V/I测量M)。
在电压和电流形成的直角坐标系中,按照电压V的正负和电流I的正负,可以得到上图 V/I的四个象限,大部分源表可以工作在任意的象限。

DC 直流电源 一 第一象限;
DC 直流电阻负载 — 第二象限;
C 交流电源阻性负载 — 第一、三象限;
FG 函数发生器 — 第三象限。
四、SMU|高性能精密源表
高性能精密源表,内置波形发生器功能,配合强大的触发机制、可轻松实现直流、脉冲、扫描以及任意自定义波形激励。


需要注意的是,源表SMU的脉冲电压和电流最小脉冲宽度、 上升/下降沿的典型指标,以 Keysight B2900系列源表为例, 可以到达 10A/100uS级的电流脉冲、 或 210V/1mS级的电压脉冲。
五、SMU|源表测量注意事项
源表的精度固然极高, 但在脉冲激励或IV扫描时,如果不明确被测件的特性, 就很有可能测量结果与真实值存在非常大的偏差。
如下图所示,当测量点为蓝色圆圈区域时,测量结果偏离实际响应点; 响应随机波动或存在噪声,需要增大测量积分时间消去波动或噪声影响。

因此,精确测量出被测件DUT在激励下的电压和电流响应波形是非常重要!
下图显示简化的 SMU 等效电路:

由于 源/测量单元或 SMU 必须测量非常低的电流 (1fA 或更低),它们总是使用三轴输出。
一、SMU|什么是源表SMU?
源表(Source Meter Unit, SMU)广泛用于半导体器件、材料、医疗、发光器件与光通信等行业,测量器件的伏安(I-V)特性曲线、绝缘材料的电阻值(电阻率)、电容的绝缘电阻(漏电流)、光电器件的暗电流或者L-I-V等。

源表SMU的名称已经清晰的告诉我们,它包含了高精度电源输出和测量, 但它仅仅是电源和万用表的简单拼凑吗?为了简要说明这个问题, 我以下列出了源表的几个典型的应用场景:
在测量绝缘材料的电阻值(GΩ/TΩ)或 二极管的反向漏电流时,通常给被测件DUT施加电压激励,并测量对应的电流;
在测量常规小电阻, 或者驱动LED发光二极管时,通常给DUT施加电流激励,测量对应的电压值;
测量电容器、锂电池等具备储能特性器件时,会对其进行充放电的同时, 连续记录电压和电流。
二、SMU|源表的四种功能
通常源表SMU都具备电压源 Vs、电流源 Is、电流源 IM、电压表 VM四种功能,而且能够任意搭配激励源和测量功能,按照被测DUT特征选择对应的模式。如下图所示,

VFIM:电压激励测电流
VFVM:电压激励测电压
IFIM:电流激励测电流
IFVM:电流激励测电压
三、SMU|源和测量的组合
与直流电源称输出端子V+、V-不同,源表SMU通常将源的输出端子称为High Force、Lower Force。因此,源和测量的组合有:VFIM、VFVM、IFVM、IFIM (V/I激励F + V/I测量M)。
在电压和电流形成的直角坐标系中,按照电压V的正负和电流I的正负,可以得到上图 V/I的四个象限,大部分源表可以工作在任意的象限。

DC 直流电源 一 第一象限;
DC 直流电阻负载 — 第二象限;
C 交流电源阻性负载 — 第一、三象限;
FG 函数发生器 — 第三象限。
四、SMU|高性能精密源表
高性能精密源表,内置波形发生器功能,配合强大的触发机制、可轻松实现直流、脉冲、扫描以及任意自定义波形激励。


需要注意的是,源表SMU的脉冲电压和电流最小脉冲宽度、 上升/下降沿的典型指标,以 Keysight B2900系列源表为例, 可以到达 10A/100uS级的电流脉冲、 或 210V/1mS级的电压脉冲。
五、SMU|源表测量注意事项
源表的精度固然极高, 但在脉冲激励或IV扫描时,如果不明确被测件的特性, 就很有可能测量结果与真实值存在非常大的偏差。
如下图所示,当测量点为蓝色圆圈区域时,测量结果偏离实际响应点; 响应随机波动或存在噪声,需要增大测量积分时间消去波动或噪声影响。

因此,精确测量出被测件DUT在激励下的电压和电流响应波形是非常重要!
下图显示简化的 SMU 等效电路:

由于 源/测量单元或 SMU 必须测量非常低的电流 (1fA 或更低),它们总是使用三轴输出。








