放大器频率响应测试指南:PSM1735精准实测
放大器频率响应测试是放大器设计和开发过程中需要确定的一项重要性能特性。本应用说明利用PSM1735(35MHz带宽频率响应分析仪)来确定功率放大器高达10MHz的频率响应。
为确保PSM1735生成的信号电平在高频下不会下降,决定将发生器设置为0.7V有效值 (Vrms),并使用“TRIM”功能确保发生器的输出在所有频率点均为0.7V有效值。
为了在真实的工作模式下测试放大器,使用了5W 20欧姆 (Ohm)负载。在7V有效值输出电压下(放大器设置为x10增益),这将产生350mA有效值 (mArms)的电流。
测试设置 Test Setup :

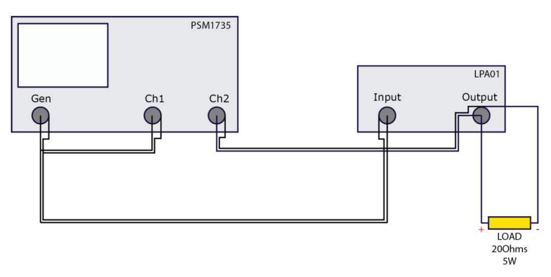
上图说明了如何将PSM1735和被测放大器与20欧姆负载连接,以便在真实的工作条件下执行此测试。开路测试不实际,因为没有电流流动。
如上所述连接仪器后,接下来我们需要确保仪器设置正确。以下屏幕截图描述了设置过程。

在ACQU菜单中进行了以下设置;速度设置为快速,“最小周期 (Minimum cycles)” 设置为6。仪器将重复测量6次,并取6次结果的平均值。

在SWEEP菜单中,扫频起始设置为1KHz,结束设置为10MHz。仪器将在这两个频率之间从低到高进行扫频。
步数设置为500,这表示结果绘制后,沿图形X轴(频率)的点数。

trim在通道1 (CH1) 上设置为700mV,以确保输入到放大器的信号在整个测试过程中保持在相同水平。
容差设置为1%,以确保电压在指定值的1%以内。

设置完成后,标称增益为+20dB,这是因为增益设置为x10。通过按下仪器右侧的归零按钮 ,将+20的增益设置为我们的0dB参考点。
使用PSMComm2(N4L波特图绘制软件)远程控制PSM1735,并在7V有效值输出下执行了第一次扫频。PSMComm2软件的屏幕截图如下所示;在屏幕截图中,我们绘制了两次扫频。一次在7V有效值,另一次在2V有效值,这显示了软件比较多个绘图的能力。

在放大器的指定带宽 (1MHz) 内性能非常平坦,3dB点在3MHz左右。在整个频率响应测试过程中,输出波形受到监控并保持正弦波形状,失真很小。








