是德科技器件电流波形分析仪揭秘多类器件电流特性
发布时间: 2025-07-18 09:13:35 浏览数:
是德科技 CX3300 系列实测揭秘多类器件电流特性
在电子测量领域,精准捕捉器件的电流、信号特性是研发与测试的关键。是德科技 CX3300 系列仪器凭借高性能表现,在各类器件测试中展现出卓越实力。以下为你带来 RTC、OLED、能量收集装置等多类器件的实测数据与分析。
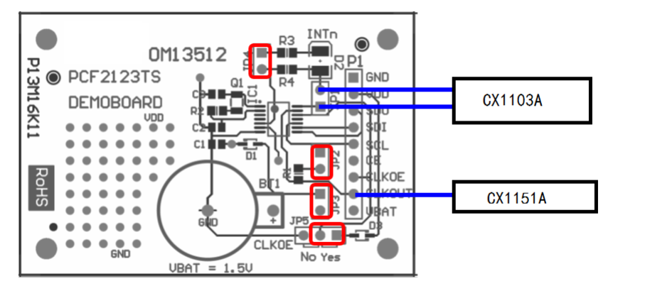
一、CX3324A 实测 Clock 时钟信号特性
以 PCF2123TS 等器件组成的 RTC 时钟电路为测试对象,得到关键数据:
频率:32.7705KHz
平均电流:134.015nA
峰值电流:4.0548uA


二、CX3324A 实测 OLED 显示屏驱动电路特性
OLED 显示屏驱动电路的实测数据如下:
主频率:59.798Hz
平均电流:309.628nA
峰值电流:9.765mA
次频率:806.525Hz


三、CX3324A 实测微弱震动能量收集装置的功率
针对微弱震动能量收集装置,测试得到:
主频率:336.52Hz
平均功率(RMS):127uW
峰值电流:5.24mA
次频率:18.67KHz



四、CX1105A 差分电压探头实测医疗 / 脑部刺激信号



医疗领域对信号测量的精度要求极高,CX1105A 差分电压探头表现出色:
AP 信号源输出 uV 级别刺激电压信号,其信号幅度(RMS)为 10.639uV
CX3300+CX1105A 本底噪声低至 366nV(BW=2.2KHz)
低噪声特性确保了微弱医疗信号的精准捕捉,为医疗设备的研发与调试提供有力支持。
五、CX1104A/CX1105A 差分电压探头实测某 GPU/MCU 瞬时电流
在 GPU/MCU 瞬时电流测试中,采用采样电阻(5mΩ)作为电流取样电阻,CX1104A/CX1105A 展现出高分辨率和低噪声优势,可同时测量瞬间大电流与小信号。


其中,CX1104A 可更换前端取样电阻 Rshunt,最大电流达 15A(5mΩ),为工程师提供了灵活选择。


六、CX3300 系列:电子测量的得力助手
CX3300 系列包含 CX3322A(2 通道)、CX3324A(4 通道)及多种探头(CX1101A、CX1102A 等),具备诸多优势:
连接灵活:支持多种电流探头、适配器,单端 / 差分电压探头,数字逻辑探头。
高性能:1GSa/s 采样,200MHz 带宽,14/16 比特分辨率,电流范围 100A 至 150pA,低至 150pA 电流噪声、400nV 电压噪声。
易用高效:搭载 Window 操作系统,配备 14.1 英寸电容多点触屏,支持一键式 “功耗特征提取”、自动波形存储、区域测量及任意区域放大。
目前,穿戴、医疗、AR/VR、智能手机、汽车电子等多个行业的工程师已在使用 CX3300 系列仪器,助力各类器件的研发与测试。








